Druckluftbehälter Aircraft ACDB 100/15 H OK AD 2000
- Innen und außen feuerverzinkt mit fünfzehn Jahre Garantie gegen Durchrostung
- Gebaut nach EG-Richtlinie 87/404/EWG oder DGRL 97/23/EG -AD 2000, Modul: H / H 1
- Betriebsbedingungen nach AD 2000 – S1 (10/2000) = An- und Abfahrten und 20% Druckschwankungsbreite
Haben Sie Fragen zum Produkt ? Dann zögern Sie nicht uns zu kontaktieren, auch per Chat.
TECHNISCHE DATEN
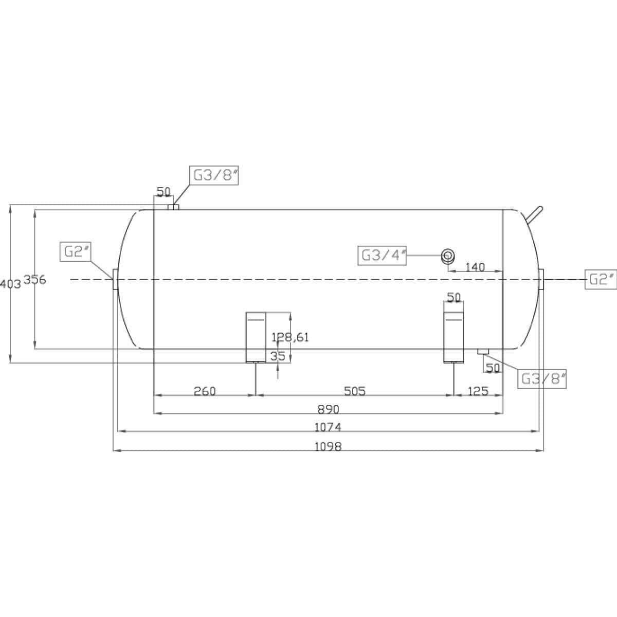
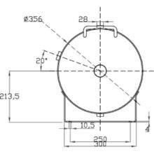
Behälterinhalt 100 l
Höchstdruck 10 bar
Typ Liegend
Länge (Produkt) ca. 1098 mm
Breite/Tiefe (Produkt) ca. 356 mm
Höhe (Produkt) ca. 395 mm
Gewicht (Netto) ca. 36 kg







